Dimensions / Weight
| W | H | D | |
|---|---|---|---|
| Dimensions | 430 mm (16.93 inch) | 177 mm (6.97 inch) | 270 mm (10.63 inch) |
Harmonic/Flicker Analyzer(Three-phase/single-phase, high-current-capable type)
KHA3000
2,400,000円 (税込:2,640,000円)
- Equipment to be tested is single-phase/three-phase equipment (40 A/phase).
- Supports IEC 61000-3-2 Ed 5.0 (2018) for harmonics standards and IEC 61000-3-3 Ed 3.1 (2017) for flicker standards.
- The screen can be easily switched between Japanese and English display.
- With/without/with (2nd and higher orders) inter-order harmonic measurement Compatible with all measurement technology standards.
- Conducting compliance testing without using a PC
- Real-time measurement that gives you a quick grasp of the EUT status
- Assist function that guides you on standards and tech-nical terms
- Test reports available in both PDF and text formats
Product Overview
Harmonics and flicker measuring instruments for the evaluation of three-phase and single-phase equipment of 16 A and above.

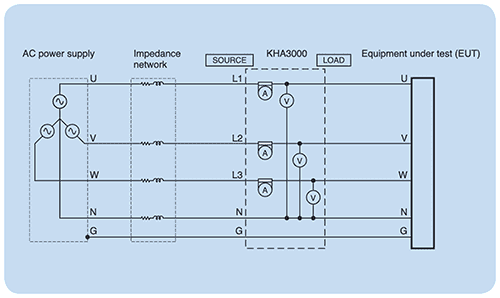
KHA3000, in addition to the complied standards and features of the KHA1000 (dedicated for single phase), is equipped for the harmonic and flicker compliance tests exceeding 16 A of the single-phase and three-phase equipment. With this unit alone, you can take highly accurate simultaneous three-phase measurements up to 40 A/phase*1. Furthermore, the KHA series is compliant with three measurement technique standards, the existing and the latest versions, so you can simply select to take measurements for the latest standard including interharmonics and for the conventional integral multiple harmonics without using any other device. It is possible to acquire the pass/fail judgment by using the KHA to conduct the onsite testing as per*2 near by the large device, accordingly it can save the significant amount of time that applies to the standard compliant test. Of course, it supports the measurement of the single-phase device and for the standard compliance testing below 16A. In addition to the real-time display that can be used like an oscilloscope and FFT analyzer, the unit offers the real-time judgment of compliance with standards. Using this unit alone, you can judge test results and prepare result reports without the use of a PC. On top of that, you can easily set up a test system by combining KHA3000 with an AC power supply (PCR-LE Series) and a line impedance network (LIN3020JF).
*1: Measurement beyond 40 A/phase can be supported by firmware ver.2.00 or later of KHA3000,and clamp-on probe on shelves. *2: It is required to use the application software “SD006-KHA” (“SD005-KHA” for the model KHA1000) when you wish to generate the report of the waveform verification for the “Class C equipment” (lighting equipments) complied to the IEC6100-3-2Ed4.0.
Complied standards
Compliance with the following standards can be tested.
| Category | Limit value standard Edition | Measurement technique standard Edition | |
|---|---|---|---|
| Harmonic current |
| 16 A or less |
|
| 20 A or less | ||
| 16 A or more, 75 A or less | ||
| Flicker/ Line regulation emission |
| 16 A or less |
|
| 16 A or more, 75 A or less | ||
*1. The measuring window width is 0.2 second. In other words, it is 10 cycles at a fundamental frequency of 50 Hz and 12 cycles at a fundamental frequency of 60 Hz. Inter harmonic waves are measured at 5 Hz intervals. Harmonic groups are measured out of harmonic waves and interharmonic waves. The values of harmonic groups are the results of measurement.*2. The measurement window length is 16 cycles at the fundamental frequency. It is 0.32 second at a fundamental frequency of 50 Hz and 0.266 second at a fundamental frequency of 60 Hz. Interharmonic waves are not measured; only harmonic waves are measured. The values of harmonic waves are the results of measurement.
User-friendly terminals and interfaces
Features
Complied with the old and new versions of harmonic measuring instrument standards IEC61000-4-7
The choice of standards is divided into limit value standards and measuring instrument technical requirements standards, which can be freely recombined (only pre-made combinations are available for KHA1000).
Conducting compliance testing without using a PC
Using this device alone, you can perform a series of test processes from setting test conditions and running the test to judging test results against limit values and outputting result reports – without the use of a PC. The device displays pass/fail results and spectrum data on the screen in real time. What’s more, since KIKUSUI’s PCR-LE/LE2 Series AC power supply can be controlled from KHA Series, you can set up an easy-to-use test system whereby the operation panel of this device can be used as the main console.
Supporting “repeatability” check
Comparison can be made between the present measurement data and the past measurement data to check whether or not the error is within the specified allowable range. This feature is helpful in evaluating the “repeatability” that is required in harmonic compliance testing.
The IEC requirements The measurement repeatability shall be within ±5% of limit value. IEC61000-3-12:The repeatability of the fundamental and 7th and lower harmonic orders shall be within ±5%. The repeatability of the harmonics beyond the 7th harmonic order shall be within ±10% or ±1% of the reference fundamental current, whichever is larger.
Equipped with a quality check function for the testing power supply
KHA Series are equipped with a function to measure the voltage, frequency, peak voltage and distortion rate of the AC power used for harmonic compliance testing in order to check whether or not the power supply is adequate for the intended test.
The IEC requirements IEC61000-3-2:limit value.The voltage harmonics must be the following values or less.3rd (0.9%), 5th (0.4%), 7th (0.3%), 9th (0.2%), even harmonic order between 2nd and 10th (0.2%), 11th to 40th (0.1%)
IEC61000-3-12: Output voltage and harmonic inclusion rate under no load 5th (1.5%), 3rd and 7th (1.25%), 11th (0.7%), 9th and 13th (0.6%), even harmonic orders between 2nd and 10th (0.4%), 12th and 14th to 40th (0.3%)
Capable of simultaneous measurement of the three-phases *Only Model KHA3000
The long-time flicker value in all segment time, “Plt” is specified to be 2 hours for the flicker monitoring period. For three-phase equipment, measurement can be taken for each phase, but that will take 2 hours x 3 = 6 hours. Simultaneous measurement of three-phases can shorten the measuring (testing) time to 2 hours.
- In order to fully cover the EUT input methods, you can set the wiring method (single phase, single phase 3-wire, three-phase 3-wire and three-phase 4-wire). In addition, for the setting of L1, L2 and L3 (channels), you can select interlock or independent. This allows appropriate measurement for equipment with largely different phase currents.
- In order to support measurement of each channel for 3 phases, the voltage and current ranges were separated for each channel and AUTO range was established for each. In addition, you can adjust the DC offset for each range with a single touch.
Real-time display measurement that gives you a quick grasp of the EUT status
List of view types *The screens are examples of KHA3000
| Harmonic current test | Flicker/voltage fluctuation test | |
|---|---|---|
| Graph display |
|
|
| List display |
|
|
Easy to upgrade when standards are revised (to comply with the latest standards).
The unit can be easily upgraded from the front panel using a CF card.*Users are requested to prepare CF cards.
Basic measurements are also taken care of.
Voltage/current/power/power factor/apparent power/reactive power/frequency can also be measured. Waveform monitoring, inrush current measurement and harmonic current measurement in the low-frequency band are also possible, making it a convenient tool for daily work at development and design sites.
Inrush current measurement
KHA Series observes the waveform of the rush current exceeding the trigger level. It can also observe the voltage waveform. KHA3000 can measure a rush current up to 160 Apeak, KHA1000 can measure a rush current up to 80 Apeak. The measuring range can be expanded to a high current by using an optional external current sensor with updating the firmware.
A rush current can be measured while the EUT is connected. This saves you from going through the trouble of preparing an oscilloscope and current probe. Set the input phase angle of the AC power supply using the application software (SD006-KHA, SD005-KHA), and turn on the unit. The rush current can be measured with good reproducibility. The phase angle can be set in the unit of 1°.
About ISO/IEC 17025 calibration
Provided with calibration/data (measuring equipment in use)
In order to meet the customers’ request for traceabity of the calibration of KHA Series for ISO/IEC17025, we have established the “traceability system” as shown in the figure below. (It is used for the production and inspection of KHA1000/3000.)
When the “Certificate of traceability with Calibrator Data” is requested, a copy of the “Calibration Certificate” can be also attached as achargeable option. (issued by the organizations shown in yellow).
- That KIKUSUI cannot calibrate KHA1000/3000 in compliance with ISO/IEC17025. Thus, the calibration data for KHA Series that can be provided at the moment does not contain of “the Expression of Uncertainty”. A copy of the data that contains of “the Expression of Uncertainty” for the measuring instruments used for calibration can be attached as a chargeable option.
- If you require data issued by an accredited calibration institute (with logo/mark), please contact our sales representative.
Specifications
| KHA3000 | KHA1000 | |||
|---|---|---|---|---|
| Common input specifications | Maximum input voltage | 600 Vrms / 900 Vpeak (CAT I), 400 Vrms (CAT II) | 300 Vrms / 560 Vpeak (CAT I), 250 Vrms (CAT II) | |
| Maximum input current | 40 Arms / 100 Apeak, whichever is smaller 160 Apeak (within 20 ms) | 24 Arms / 50 Apeak, 80 Apeak (within 20 ms) | ||
| Number of input channels | 3 channels for both voltage input and current input (L1, L2 and L3) | 1 channels for both voltage input and current input | ||
| Voltage measurement input switching | Single-phase 2-wire, single-phase 3-wire, three-phase 3-wire and three-phase 4-wire | Single-phase 2-wire | ||
| Voltage measurement function | Rated voltage for the range | 150 V/300 V/600 V | 150 V/300 V | |
| Allowable crest factor | 2 | |||
| Display item | TrueRMS and ±peak | |||
| Accuracy | ± (0.4 % of rdng +0.04 % of range) | |||
| Current measurement function | Rated current for the range | 0.5 A/1 A/2 A/5 A/10 A/20 A/ 40 A | 0.5 A/1 A/2 A/5 A/10 A/20 A | |
| Allowable crest factor | 0.5 A to 20 A range: 4, 40 A range: 2.5 and 4 (up to 20 ms) | 0.5A to 10 A range: 4, 20 A range:2.5 | ||
| Accuracy *1 | 45 Hz to 65 Hz | 0.5 A range: ± (0.5 % of reading +0.2 % of range) 1 A to 40 A range: ± (0.5 % of reading +0.1 % of range) | 0.5 A range: ± (0.5 % of reading +0.2 % of range) 1 A to 20 A range: ± (0.5 % of reading +0.1 % of range) | |
| 66 Hz to 2.4 kHz | 0.5 A range: ± ((0.5 +0.417 ×n kHz) % of reading +0.2 % of range) 1 A to 40 A range: ± ((0.5 +0.417 ×n kHz) % of reading +0.1 % of range) | 0.5 A range: ± ((0.5 +0.417 ×n kHz) % of reading +0.2 % of range) 1 A to 20 A range: ± ((0.5 +0.417 ×n kHz) % of reading +0.1 % of range) | ||
| Power measurement function | Display item | Effective power, apparent power, reactive power and power factor | ||
| Effective power accuracy | P ≥ 150 W (±1 % of range) , P < 150 W (±1.5 W) | |||
| Frequency measurement function | Measurement input | Independent measurement of frequencies for voltages of L1, L2 and L3 | Measurement of frequency for voltage | |
| Measurement frequency range / accuracy / resolution | 45Hz〜65Hz/±(0.15% of reading+2digits)/0.001Hz | |||
| Phase measurement function | Measurement items | Voltage/current phases, line voltage phase *2 and harmonic phase | ||
| Measuring range/resolution | 0.00° to 359.99° / 0.01° | |||
| Harmonic current measurement function | Compliant standards | IEC 61000-3-2 Ed5.0, IEC 61000-3-2 Ed3.0, IEC 61000-3-2Ed2.2, JIS C61000-3-2(2019), JIS C61000-3-2(2005), IEC 61000-3-12 Ed2.0, IEC 61000-3-12 Ed1.0 | IEC 61000-3-2 Ed5.0(2018), IEC 61000-3-2 Ed2.2(2004), IEC 61000-3-2 Ed3.0(2005), JIS C61000-3-2(2003), JIS C61000-3-2(2005), JIS C61000-3-2(2019) | |
| Requirements for measuring instrument standard | IEC 61000-4-7 Ed2.1(2009), IEC 61000-4-7 Ed2.0(2002), IEC 61000-4-7 Ed1.0(1991) | |||
| Harmonic analysis order | 40 th (HA mode), 180 th (OTHER mode) | |||
| Interharmonics processing | Processing ON (2nd order and more): IEC 61000-4-7 Ed2.1(2009), Processing ON: IEC 61000-4-7 Ed2.0(2002) Processing OFF: IEC 61000-4-7 Ed1.0(1991) | |||
| Window function | Rectangular | |||
| Window width | 10 cycles(50 Hz) 12 cycles(60 Hz), 16 cycles(50 Hz/60 Hz) | |||
| Anti-aliasing filter | Cutoff frequency: 6 kHz, 4 th Butterworth type (HA mode), 15 kHz 4 th Butterworth type (Other mode) | |||
| Class D judgment function | Current waveform inclusion rate of 95 % or more (equivalent to JIS C61000-3-2:2003 Class D) *3 | |||
| Harmonic voltage measurement function | Measurement items | Voltage, frequency and voltage harmonic inclusion rate | ||
| Voltage harmonic analysis order | 40 th | |||
| Flicker/voltage fluctuation analysis function | Compliant standards | IEC 61000-3-3 Ed3.1(2017), IEC 61000-3-3 Ed2.0(2008) *2, IEC 61000-3-11 Ed2.0(2007) *2 | ||
| Requirements for measuring instrument standard | IEC 61000-4-15 Ed2.0(2010), IEC 61000-4-15 Ed1.1(2003) | |||
| Flicker | Pst accuracy | 1 ± 5 % | ||
| Pst measurement time | 30 to 900 seconds | |||
| Voltage fluctuation | Measurement method | Selectable between simultaneous measurement with Pst and independent measurement | ||
| dmax measurement of manual switching equipment | 3 to 24 times (Measuring time for each time: 30 to 180 seconds) | |||
| General measurement function | Current/voltage waveform monitor, FFT analyzer and In-rush current measurement | |||
| Communication interface | GPIB, RS232C, and USB interfaces are equipped as standard. | |||
| Removal data storage | Supported media | Compact Flash memory card (CF card) *4, maximum capacity: 512 MB, USB Memory*2, maximum capacity: 16 GB | ||
| External equipment control function | PCR-LE control (RS232C) | Voltage, frequency, range, ON phase, OUTPUT ON and OFF | ||
| Power supply | Nominal voltage range | 100 V to 240 V AC 50 Hz to 60 Hz | ||
| Environmental conditions | Operating temperature and humidity ranges | 0 °C to +40 °C (+32 °F to +104 °F), 20 %rh to 80 %rh (no condensation) | ||
| Withstanding voltage | 1500 VAC, 1 minute (AC input ↔ chassis), 3550 VAC, 1 minute (measuring terminal ↔ chassis) | 1500 VAC, 1 minute | ||
| Dimensions Unit: mm (inches) | 430(16.93)(455(17.91))W × 177(6.97)(195(7.68))H × 270(10.63)(330(12.99))D mm(inch) | |||
| Weight | Approx. 10 kg (22.05 lb) | Approx. 8 kg | ||
| Safety | Conforming to the following standard requirements: IEC 61010-1:2001 (Class I, Pollution degree 2) | |||
| Electromagnetic compatibility | IEC61326-1 A3:2003 | |||
| Accessories | Power cord, voltage sensing terminal plug and short-circuit wire kit (with a dedicated screwdriver), spare fuse and operation manual | |||
*1: n = indicates frequency. *2: Only Model KHA3000. *3: Users are requested to prepare the CF card. Note that the maximum supported capacity of a CF card is 512 MB.
CF cards with verified operation (manufacturer’s name/model number)
*Compact Flash memory cards (CF cards) must be provided separately by the customer.
| Manufacturer Name | model number | Capacity | Manufacturer Name | model number | Capacity |
|---|---|---|---|---|---|
| BUFFALO | RCF-X64M, RCF-X128M, RCF-X512M | 64MB, 128MB, 512MB | TOSHIBA | CF-FA128MT | 128MB |
| I-O DATA | CF85-128M | 128MB | Lexar Media | CF064-231J | 64MB |
| SanDisk | SDCFB-128-J60 | 128MB | Princeton | PCF-64 | 64MB |
Compact Flash TM is a registered trademark of SanDisk Corporation.
System Configuration
KHA1000 System Components
For Single-phase/4 kVA, PC Control
Single-phase 2-wire system (4kVA) configuration example
| Capacity | Model | Qty |
|---|---|---|
| 4kVA | PCR4000LE | 1 |
| LIN1020JF | 1 | |
| KHA1000 | 1 | |
| OT01-KHA | 1 | |
| SD005-KHA | 1 |
*Connection cables are required separately.
KHA3000 System Components
For Single-phase/8kVA, 3-phase/12kVA, PC Control
Three-phase operation system (12 kVA) configuration example
| Capacity | Model | Qty |
|---|---|---|
| 12kVA | PCR4000LE | 3 |
| LIN3020JF | 1 | |
| 3P05-PCR-LE | 1 | |
| KHA3000 | 1 | |
| SD006-KHA | 1 |
*Connection cables are required separately. *SD006-KHA Ver2.41 or later is required
KHA3000 System Components
For Single-phase 3hree-phase/6kVA, Single-phase 3-wire/4kVA, PC Control
Single-phase 2-wire (6kVA)/single-phase 3-wire (4kVA)/three-phase system (6kVA) configuration example
| Capacity | Model | Qty |
|---|---|---|
| 6kVA * Single-phase 3-wire is 4kVA | PCR6000LE2 | 1 |
| LIN3020JF | 1 | |
| KHA3000 | 1 | |
| SD006-KHA | 1 |
*Connection cables are required separately. *SD006-KHA Ver2.41 or later is required
The large current CT (Current Transformer) for the KHA3000
Application example of the combination system with other manufacture’s equipment
Use the terminal “I Monitor” and “V Monitor” on the back of RIN.*In order to satisfy the voltage drop of 0.5Vrms in the measurement specified in the IEC61000-4-7 Ed2 , it is recommended that the wiring between the OUTPUT and the SOURCE terminal of the KHA series must be connected short and use the thick cable as possible.























